Blue Vinyl Vacuum Cup .62H x 1.00W x .18B w/Cleats Style B

Blue Vinyl Vacuum Cup .62H x 1.00W x .18B w/Cleats Style B

Part Number: VC-159
 Dimensions in mm
Outer Lip Diameter 1 25.4
Mounting Stem ID 0.18 4.6
Overall Height 0.62 15.7
Contact us for pricing
 General Information
 Material: Vinyl  
 Mounting Type: Snap Over 0   Cleats: Yes
 Bellows: 0  Suggested Use: Pick and Pack

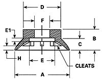
   Style B Dimensions in mm
 Dimension A 1 25.4
Dimension B 0.62 15.7
Dimension C 0.28 7.1
Dimension D 0.48 12.2
Dimension F 0.18 4.6
Dimension H 0.07 1.8

MATERIAL SPECIFICATIONS
 Material Working
Temperature
Wear
Resistance
Oil Resistance Durometer
 Vinyl +32 - +125 F Excellent Fair A20 - A70 Range
FDA Vinyl +32 - +125 F Excellent Fair A20 - A70 Range
Oil Resistant FDA Vinyl +32 - +125 F Good Excellent A40 - A60 Range
Polyurethane +32 - +150 F  Good  Good  A20 - A70 Range
 Silicone -50 - +400 F   Good  Good  A40 - A55 Range
 FDA Silicone -50 - +400 F  Good  Good  A40 - A55 Range