Blue Vinyl Vacuum Cup .4H x 1.25W x .25B w/Cleats Style A

Blue Vinyl Vacuum Cup .4H x 1.25W x .25B w/Cleats Style A

Part Number: VC-2EF
 Dimensions in mm
Outer Lip Diameter 1.25 31.8
 Mounting Stem I.D. 0.25 6.4
Overall Height 0.4 10.2
List of volume pricing for product Blue Vinyl Vacuum Cup .4H x 1.25W x .25B w/Cleats Style A.
1
Sale Price $4.90 /EACH
25
Sale Price $4.60 /EACH
50
Sale Price $3.85 /EACH
100
Sale Price $3.40 /EACH
200
Sale Price $2.70 /EACH
EACH
 General Information
 Material: Vinyl  
 Mounting Type: Flange  Cleats: Yes
 Bellows: 0  Suggested Use: Label Placement

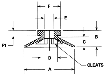
   Style A Dimensions in mm
Dimension A 1.25 31.8
Dimension B 0.4 10.2
Dimension C 0.26 6.6
Dimension D 0.45 11.4
Dimension E 0.25 6.4
Dimension F 0.56 14.2
Dimension F1  0.06 1.5

MATERIAL SPECIFICATIONS
 Material Working
Temperature
Wear
Resistance
Oil Resistance Durometer
 Vinyl +32 - +125 F Excellent Fair A20 - A70 Range
FDA Vinyl +32 - +125 F Excellent Fair A20 - A70 Range
Oil Resistant FDA Vinyl +32 - +125 F Good Excellent A40 - A60 Range
Polyurethane +32 - +150 F  Good  Good  A20 - A70 Range
 Silicone -50 - +400 F   Good  Good  A40 - A55 Range
 FDA Silicone -50 - +400 F  Good  Good  A40 - A55 Range

Recently Viewed

List of suggested products: Recently Viewed.