Stitcher Head Assembly
Muller Martini
Muller Martini

Stitcher Head Assembly

Part Number: DB45MMHD257/16

The DB45 Head is a slim alternative Stitcher Head for Muller-Martini saddle binders. The DB45 can be used on all stitchers or collators which currently use the HK45 and HK55 Heads - Muller #'s 0305.0100, 0305.0400 & 1509.0075.

Includes Stitcher Head, Clincher Assembly and Wire Guide

Sale Price $2,540.00 /EACH
EACH

Specifications

Technical Data
Max Capacity: 2 sheets to 3mm 
Crown Width: 10mm
Wire Sizes: 25 gauge round (0.6mm)
Minimum Center-to-Center: 45mm
Clincher Assembly: 2" tall square
Machines: Minuteman (built before 2004)

 

Documents

 
DB75 Operators Manual

Documents

 
Operation Manual

 

Bonnet and Wire Guide Spring Sub-Assemblies

Click part numbers in the diagram for product pages

 

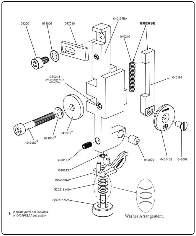
Bonnet and Supporter Sub-Assemblies

Click part numbers in the diagram for product pages

 

Driver and Bender Inserts

Click part numbers in the diagram for product pages

 

Complete Cutter Box Assembly

Click part numbers in the diagram for product pages

 

Feed Gear Assembly

Click part numbers in the diagram for product pages

 

Wire Holder Assembly

Click part numbers in the diagram for product pages

 

Clincher Plate Assemblies (Standard, Medium and Long)

Click part numbers in the diagram for product pages

Recently Viewed

List of suggested products: Recently Viewed.