ISP S3A Book Stitcher

Click part numbers in the diagram for product pages

 

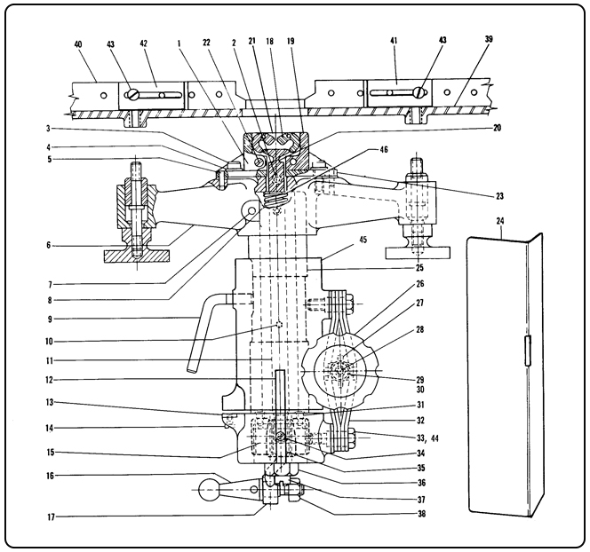
Base, Body and Drive Assembly

Click part numbers in the diagram for product pages

 

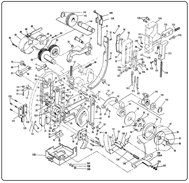
Drive Sub-Assembly 

Click part numbers in the diagram for product pages

 

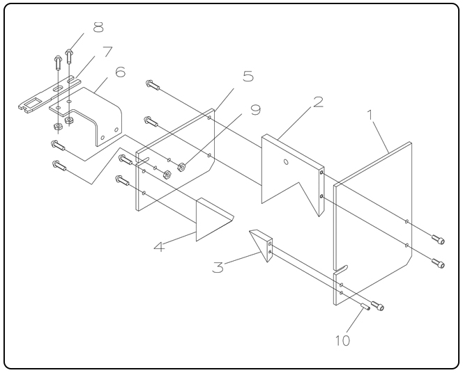
Clincher and Table Adjusting Assembly

Click part numbers in the diagram for product pages

 

Saddle Finger Guard Assembly

Click part numbers in the diagram for product pages

 

Table Finger Guard Assembly

Click part numbers in the diagram for product pages

 

Motor Assembly

Click part numbers in the diagram for product pages