Skip to Main Content
Update Ltd
Update Ltd
Contact us
USD $
CAD $
Keyword Search
Find By Keywords
Advanced Search
0
My Cart
0
My Account
Sign In
My Account
My Cart
Customer Service
Menu
Keyword Search
Find By Keywords
Advanced Search
Update Ltd
Update Ltd
Update Ltd
Update Ltd
Bindery & Finishing
Back
Bindery & Finishing
Banding
Belt Fabrication
Corner Rounding
Counters
Drilling
Equipment
Folding
Glue
Mailing
Paper Cutters
Perfect Binding
Pumps
Static Control
Stitching
Suckers
Tape
Tools & Utilities
Clearance Items
Banding
Back
Banding
Banding Machines
Manual Paper Bander
Sealing Bands
Palamides Banderole
Banding Machines
Manual Paper Bander
Sealing Bands
Palamides Banderole
Belt Fabrication
Back
Belt Fabrication
Quickmelt/Flexproof Belting & Tools
Thermofix Belting and Tools
Round Belting
Folder Gluer Belting
Quickmelt/Flexproof Belting & Tools
Thermofix Belting and Tools
Round Belting
Folder Gluer Belting
Corner Rounding
Back
Corner Rounding
Manual Corner Rounders
Electric Corner Rounders
Corner Rounder Blades & Dies
Corner Rounding Accessories
Manual Corner Rounders
Electric Corner Rounders
Corner Rounder Blades & Dies
Corner Rounding Accessories
Counters
Back
Counters
Total/Rate Counters
Counting Scales
Sheet Counters & Batch Tabbers
Total/Rate Counters
Counting Scales
Sheet Counters & Batch Tabbers
Drilling
Back
Drilling
Paper Drill Bits
Drill Blocks
Drill Sharpeners
Drill Heads & Parts
Drill Machines & Parts
Drilling Accessories
Paper Drill Bits
Drill Blocks
Drill Sharpeners
Drill Heads & Parts
Drill Machines & Parts
Drilling Accessories
Equipment
Back
Equipment
Banding Machines
Corner Rounders
Joggers
Laminators
Paper Cutters
Paper Drills
Product Handling
Padding Presses
Punches
Stitching
Stock Carts
Banding Machines
Corner Rounders
Joggers
Laminators
Paper Cutters
Paper Drills
Product Handling
Padding Presses
Punches
Stitching
Stock Carts
Folding
Back
Folding
Feeder
Register Table
Fold Unit
Fold Plates
Slitter Shafts
Cross Carrier
Stacker
Knife Folder
Belts
Consumables
Electrical
Gluing
Palamides
Baum
Rosback Perf & Score Parts
Rotocrease Parts
H & H Mail Table
Accessories
Press Perf/Score
Feeder
Register Table
Fold Unit
Fold Plates
Slitter Shafts
Cross Carrier
Stacker
Knife Folder
Belts
Consumables
Electrical
Gluing
Palamides
Baum
Rosback Perf & Score Parts
Rotocrease Parts
H & H Mail Table
Accessories
Press Perf/Score
Glue
Back
Glue
Spine Glue
Permanent Liquid Glue
Padding Glue
Fugitive Glue
Glue Dots
Spine Glue
Permanent Liquid Glue
Padding Glue
Fugitive Glue
Glue Dots
Mailing
Back
Mailing
Mailing Tabs
Sealing Solution
Pitney Bowes Parts
Mailing Tabs
Sealing Solution
Pitney Bowes Parts
Paper Cutters
Back
Paper Cutters
Paper Cutter Machines
Paper Cutter Knives
Cutting Sticks
Cutter Table Accessories
Jogger Blocks
Shear Bolts
Slot Cover Belts
Blade Shims
Knife Bolts
Knife Changing Handles
Clutch Handles
Air Jet Parts
False Clamp Parts
Electrical Parts
Backgauge Parts
Polar Pull Arm Assembly
Tools
Paper Cutter Machines
Paper Cutter Knives
Cutting Sticks
Cutter Table Accessories
Jogger Blocks
Shear Bolts
Slot Cover Belts
Blade Shims
Knife Bolts
Knife Changing Handles
Clutch Handles
Air Jet Parts
False Clamp Parts
Electrical Parts
Backgauge Parts
Polar Pull Arm Assembly
Tools
Perfect Binding
Back
Perfect Binding
Binder Trimming Knives
Cutting Sticks
Binder Milling Heads
Binder Glue
Binder Replacement Parts
Binder Cover Scoring
Binder Trimmer Press Pads
Binder Glue Brushes
Binder Trimming Knives
Cutting Sticks
Binder Milling Heads
Binder Glue
Binder Replacement Parts
Binder Cover Scoring
Binder Trimmer Press Pads
Binder Glue Brushes
Pumps
Back
Pumps
Rotary Vane Pumps
Regenerative Blowers
Becker Pump Parts
Rietschle Pump Parts
Orion Pump Parts
Busch Vanes & Filters
DVP Vanes & Filters
Filters
Venturi Pumps
Rotary Vane Pumps
Regenerative Blowers
Becker Pump Parts
Rietschle Pump Parts
Orion Pump Parts
Busch Vanes & Filters
DVP Vanes & Filters
Filters
Venturi Pumps
Static Control
Back
Static Control
Ionizing Bars
Ionizing Nozzles & Blowers
Power Units & Accessories
Passive Static Eliminators
Static Generators
Static Measuring Tools
Ionizing Bars
Ionizing Nozzles & Blowers
Power Units & Accessories
Passive Static Eliminators
Static Generators
Static Measuring Tools
Stitching
Back
Stitching
Hohner
Deluxe/ISP/Bostitch
Muller Martini
Osako
Stitching Wire
Stitcher Trimmer Knives
Rebuilt Stitcher Heads
Stitcher Head Repairs
Gathering Chain
Spine Creaser
Rosback
Harris/Heidelberg
HT Trimmer
SP1000 Head
Hohner
Deluxe/ISP/Bostitch
Muller Martini
Osako
Stitching Wire
Stitcher Trimmer Knives
Rebuilt Stitcher Heads
Stitcher Head Repairs
Gathering Chain
Spine Creaser
Rosback
Harris/Heidelberg
HT Trimmer
SP1000 Head
Suckers
Back
Suckers
Suckers
Flat Discs
Vacuum Cups
Suckers
Flat Discs
Vacuum Cups
Tape
Back
Tape
Grip/Roller Tape
Frictionless Tape
Book Binding Tape
Transfer Tape
Duct Tape
Grip/Roller Tape
Frictionless Tape
Book Binding Tape
Transfer Tape
Duct Tape
Tools & Utilities
Back
Tools & Utilities
Loc Line
Cleaning Cloth
Air Purification
EZ Loader
Hand Tools
Loc Line
Cleaning Cloth
Air Purification
EZ Loader
Hand Tools
Packaging
Back
Packaging
Banding
Belts
Belt Fabrication
Box Stitching
Case Sealers
Hygenic Scrapers
Pumps
Shrink Wrappers
Static Control
Tape
Vacuum Cups
Banding
Back
Banding
Banding Machines
Banding Machines
Belts
Back
Belts
Folder Gluer Belts
Case Sealer Belts
Belt Scrapers
Folder Gluer Belts
Case Sealer Belts
Belt Scrapers
Belt Fabrication
Back
Belt Fabrication
Quickmelt / Flexproof Belting & Tools
Thermofix Belting & Tools
Round Belting
Quickmelt / Flexproof Belting & Tools
Thermofix Belting & Tools
Round Belting
Box Stitching
Back
Box Stitching
Box Stitching Machines
Box Stitching Machine Parts
Box Wire
Box Stitching Machines
Box Stitching Machine Parts
Box Wire
Case Sealers
Back
Case Sealers
Case Seal Machines
Case Seal Replacement Parts
Case Seal Drive Belts
Case Seal Machines
Case Seal Replacement Parts
Case Seal Drive Belts
Hygenic Scrapers
Back
Hygenic Scrapers
Belt Scrapers
Bench & Floor Scrapers
Belt Scrapers
Bench & Floor Scrapers
Pumps
Back
Pumps
Rotary Vane Pumps
Regenerative Blowers
Becker Pump Parts
Rietschle Pump Parts
Orion Pump Parts
Busch Vanes & Filters
Pump Filters
Venturi Pumps
Rotary Vane Pumps
Regenerative Blowers
Becker Pump Parts
Rietschle Pump Parts
Orion Pump Parts
Busch Vanes & Filters
Pump Filters
Venturi Pumps
Shrink Wrappers
Back
Shrink Wrappers
Shrink Wrap Machines
Shrink Film
Heal Seal Tape
Heat Seal Pads
Sealer & Tunnel Machine Parts
Shrink Wrap Machines
Shrink Film
Heal Seal Tape
Heat Seal Pads
Sealer & Tunnel Machine Parts
Static Control
Back
Static Control
Ionizing Bars
Ionizing Nozzles and Blowers
Power Units & Accessories
Passive Static Eliminators
Static Generators
Static Meters
Ionizing Bars
Ionizing Nozzles and Blowers
Power Units & Accessories
Passive Static Eliminators
Static Generators
Static Meters
Tape
Back
Tape
Carton Sealing Tape
Corrugated Splicing Tape
Bag Sealing Tape
Heat Seal Tape
Carton Sealing Tape
Corrugated Splicing Tape
Bag Sealing Tape
Heat Seal Tape
Vacuum Cups
Back
Vacuum Cups
Vacuum Cups
Depanner Cups
Vacuum Cups
Depanner Cups
Brands
Company
Back
Company
About Us
Our Professionals
Ordering Information
Brands
Meet Our Office Dogs
Tools and Resources
Back
Tools and Resources
Update Ltd Catalogs
Fold Roller Repair
Stitcher Head Repair/Rebuild
FAQ
Blog
Safety Data Sheets
Contact us
United States dollars (USD $)
Back
Select Your Currency
United States dollars (USD $)
Australia, Dollars ()
Canadian dollars (CAD $)
Euro Member Countries, Euro ()
New Zealand, Dollars ()
Singapore, Dollars ()
South Africa, Rand ()
United Kingdom, Pounds ()
Keyword Search
Find By Keywords
Advanced Search
0
Home
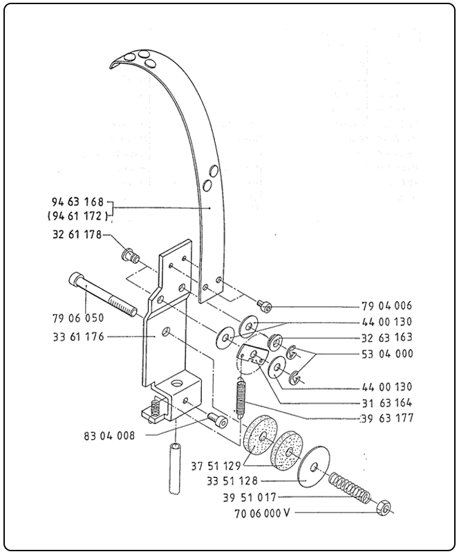
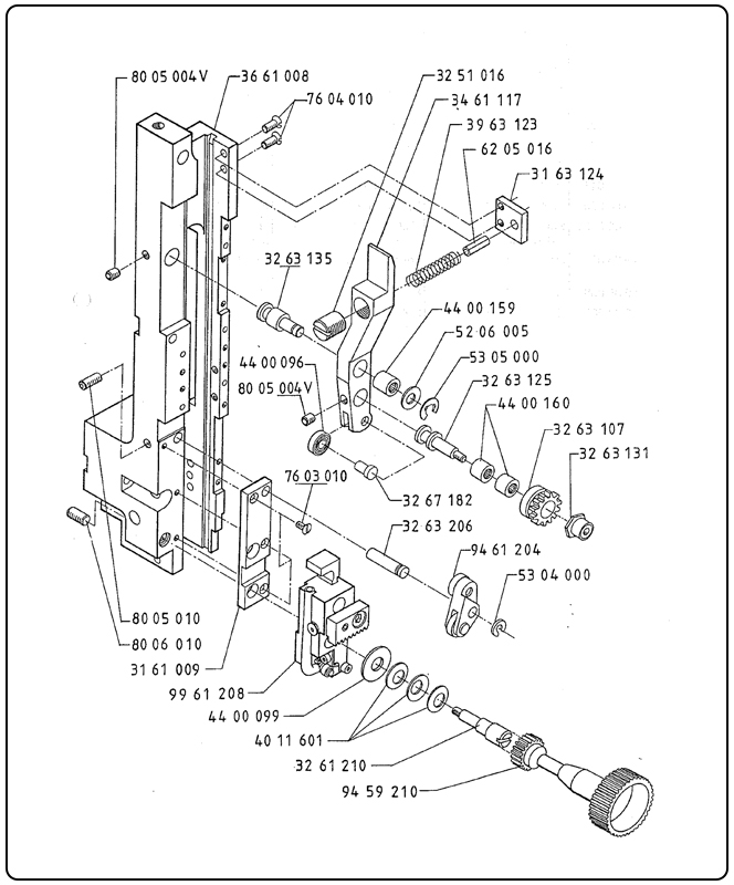
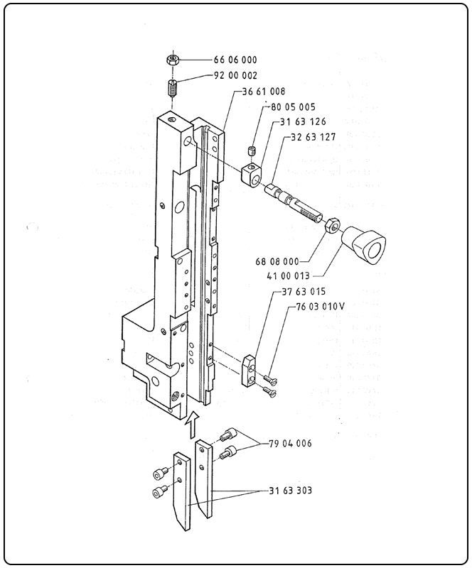
48/5 Stitcher Head
48/5 (1994) Stitcher Head
Click numbers in the diagram for product pages
Click numbers in the diagram for product pages
Click numbers in the diagram for product pages
Click numbers in the diagram for product pages
Click numbers in the diagram for product pages
Click numbers in the diagram for product pages
Click numbers in the diagram for product pages
Click numbers in the diagram for product pages
Click numbers in the diagram for product pages
Click numbers in the diagram for product pages
Return to Top
Powered by
k-ecommerce for Dynamics GP